產品分類
-
【產品名稱】 超長螺栓
【所屬分類】 超長螺栓 【標準編號】 【規格尺寸】 【品牌名稱】 華隆 HUALONG 【生產廠家】 寧波市鎮海華隆緊固件有限公司
產品詳情
寧波緊固件生產廠家華隆特價供應各種規格尺寸、8.8級及以上的高強度超大超長螺栓,可按客戶需求定制。超長螺栓是一種長度大于等于直徑的十倍或者長度大于300mm的六角螺栓,超長螺栓較常規的六角螺栓的制造工序相對復雜,淬火的時候容易出現彎曲,需嚴格控制好淬火的方式及溫度,螺栓選取的材質對超長螺栓的彎曲性也有一定影響,成品前都需要經過校直工序要保證螺栓的垂直度。

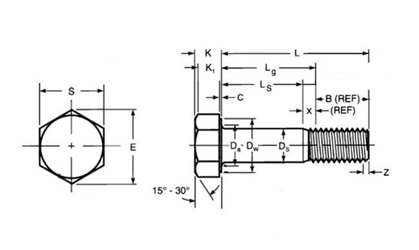
超長螺栓結構圖